

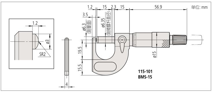
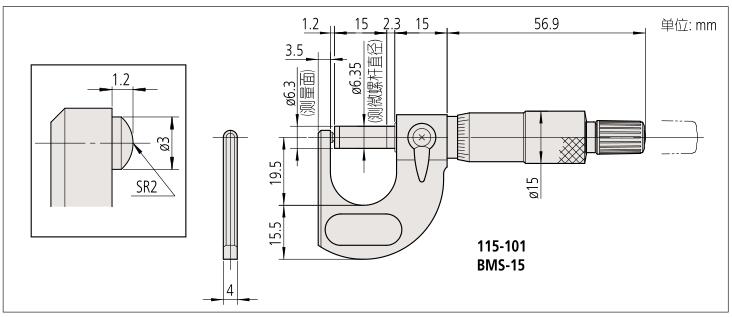
MITUTOYO三豐單球面壁厚千分尺115-117



產品尺寸:

■使用千分尺的一般注意事項
1.仔細檢查類型、測量范圍、精度和其他規格,為您的用途選擇合適的型號。
2.測量,千分尺和工件放置在室溫下足夠長的時間,使其溫度均衡。
3.讀取微分筒刻度線時直視基準線。如果從某個角度看刻度線,由于視覺誤差將無法讀取線的正確位置。
4.測量調整起點 ( 零 ) ,采用不起毛的紙去擦拭測砧和測微螺桿的測量面。
5.作為日常保養的一部分,擦去測微螺桿外周和測量面上的任何灰塵、碎屑和其他碎片。此外,用干布仔細擦拭任何污漬和指紋。
6.正確使用恒定測力裝置,以便在正確的測力下進行測量。
7.當將千分尺安裝到千分尺的臺架時,臺架應該固定夾緊在千分尺邊框的中心,但不要夾得太緊。
8.注意千分尺不要摔落或碰撞任何東西。不要過度用力旋轉千分尺測微螺桿。如果感覺意外誤操作導致千分尺可能已損壞,使用需要進一步檢查其精度。
9.經過存放很長時間后或有保護性油膜,用在抗腐蝕的油中浸泡過的布輕輕擦拭千分尺。
10.存放注意事項
● 存儲時避免陽光直射。
● 存儲在通風性良好、低濕度的場所。
● 存儲在沒有灰塵的場所。
● 如果存放在箱子或其它容器中,箱子或容器不能放在地上。
● 存放期間,測量面之間應該留有 0.1mm 到 1mm 的空隙。
● 不要將千分尺在夾緊的狀態下存放。
原創作者:蘇州崇睿儀器儀表有限公司
免責聲明