![]() |
北京北成新控伺服技術有限公司
主營產品: 伺服電機、精密減速機、變頻器、觸摸屏、運動控制器 |
![]() |
北京北成新控伺服技術有限公司
主營產品: 伺服電機、精密減速機、變頻器、觸摸屏、運動控制器 |
| 參考價 | ¥ 4389 | ¥ 4329 |
| 訂貨量 | 1臺 | 5臺 |
| 產地 | 國產 | 產品新舊 | 全新 |
|---|---|---|---|
| 類別 | 齒輪減速機 | 輸出額定力矩 | 18 Nm - 1600 Nm |
| 背隙精度 | 單節 :≦ 3 arcmin 雙節 :≦ 3 arcmin | 高效率 | 單節 :≧ 96% 雙節 :≧ 94% |
| 特點 | 容易安裝、低噪音、結構緊湊 | 運輸方式 | 物流 |

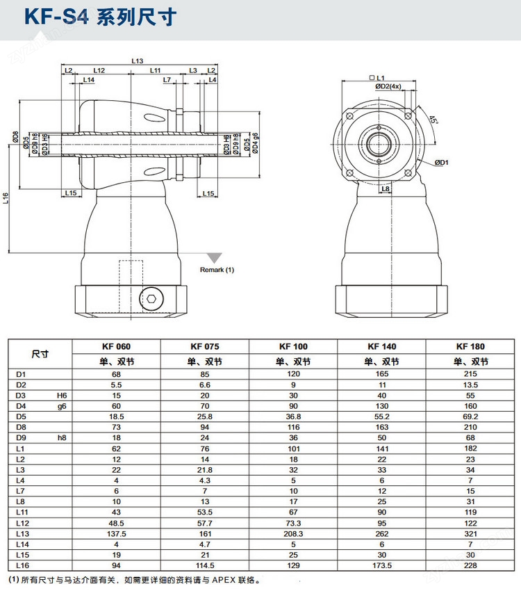
精銳廣用Apex雙曲面齒輪減速機 高效能
KF/KH都是采用的雙曲面齒輪,由于雙曲面齒輪的偏置,它的主動齒輪可以有較大的尺寸,使主動齒輪有更好的剛度和強度;齒輪的偏置還使主動齒輪的齒數可以更少,一對齒輪可以獲得更大的傳動比;雙曲面齒輪的接觸強度也比較小,同樣的條件下,它比螺旋錐齒輪的承載能力大175%; 雙曲面齒輪嚙合時的重疊系數比較大,工作時強度更高,噪聲更小,傳動更平穩。








雙曲面齒輪減速機K系列—KH/KF特點:
創新的雙曲面螺旋斜齒輪
優化的轉動慣量
高定位精度
高效能
低噪音
更耐久的保證精度
安裝靈活
多種輸出類型
同伺服電機的旋轉方向一致
apex減速機K系列高性能雙曲面齒輪減速機的輸出軸旋轉方向同伺服電機一致,簡化了機器控制與設置。創新的雙曲面螺旋斜齒輪,優化的轉動慣量,高定位精度,高效能,安裝靈活,多種輸出類型,同伺服電機的選擇方向一致。
北京北成新控伺服技術——中國臺灣apex減速機,ABB伺服電機、變頻器,日本哈默納科減速機、執行元件北京核心代理商!提供人機界面,運動控制,交直流驅動,機械傳動,光柵測量成套運動控制技術解決方案!
精銳廣用Apex雙曲面齒輪減速機 高效能